Ticker

6/recent/ticker-posts

Advertisement

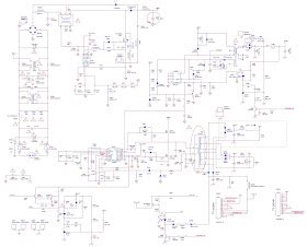
Download Sharp Lc 32a28l 42a48l Service Manual Repair Guide

Currently you are looking with regard to an Sharp Lc 32a28l 42a48l Service Manual Repair Guide example of which we provide here in some form of document formats many of these as PDF, Doc, Power Point, as well as images of which will make it simpler for you to create an Sharp Lc 32a28l 42a48l Service Manual Repair Guide yourself. For a more clear look, you may open several examples below. All the examples about Sharp Lc 32a28l 42a48l Service Manual Repair Guide on this website, we get from a number of sources so you could create a better file of your own.

If the search you acquire here does not complement what you are looking for, please make use of the lookup feature that we possess provided here. You are usually free to download anything at all that we provide right here, investment decision you won't cost you the slightest.

DOWNLOAD HERE

Everyone knows that reading Sharp Lc 32a28l 42a48l Service Manual Repair Guide is useful, because we can easily get information through the resources. Technologies have developed, and reading Sharp Lc 32a28l 42a48l Service Manual Repair Guide books can be far more convenient and much easier. We could read books on our mobile, tablets and Kindle, etc. Hence, there are several books entering PDF format.

Below are some websites for downloading free PDF books which you could acquire the maximum amount of knowledge as you desire. These days everybody, young and older, should familiarize themselves along with the growing eBook market. Ebooks and eBook visitors provide substantial benefits over traditional reading. Ebooks cut down on the make use of of paper, as recommended by environmental enthusiasts. There are no fixed timings for study. There is usually no question of waiting-time for new editions. There is no transportation to the eBook shop. The particular books at an eBook go shopping can be downloaded instantly, sometimes for free, at times to get a fee.

Not simply that, the online variation of books are generally much cheaper, because publication residences save their print in addition to paper machinery, the rewards of which are transferred to customers. Further, the reach of the e book shop is immense, allowing an individual living in Australia to source out to a publication house in Chicago. The newest trend in the online e book world is exactly what are referred to as eBook libraries, or e book packages. An eBook package deal is something remarkable. This consists of a big number of ebooks bundled together that are not easily obtainable at one solitary place. So instead regarding hunting down and acquiring, say 100 literary timeless classics, you can purchase an eBook package deal which contains all these kinds of ebooks bundled together. These kinds of eBook libraries typically offer you a substantial savings, in addition to are usually offered in a number of formats to suit your brand of electronic reading device. Large companies, such since Amazon or Barnes and Noble, tend to not carry these eBook your local library. If you want to buy one of these your local library, you will have to search out independent eBook stores. These independent eBook stores typically package the e book libraries by genre, in addition to have an assortment of genres.